Комплект радиационного контроля КСРК-12

Комплект радиационного контроля КСРК-12 в Вологде

Нашли дешевле? Снизим цену!
Наличие уточняйте у менеджера
Уточнить наличие
Доставка в г. Вологда
Самовывоз
Северная ул., 27
Время доставки
от 2-х дней при наличии на складе
Поделиться

Наши преимущества

Бесплатная доставка по всей территории России
Бесплатная доставка
по всей территории России
Бесплатная доставка по всей территории России
Гарантия низкой цены
на все оборудование
Бесплатная доставка по всей территории России
Гарантия производителя
от 1 года до 5 лет
Бесплатная доставка по всей территории России
Официальный дилер
в наличии все сертификаты

Описание комплекта радиационного контроля КСРК-12

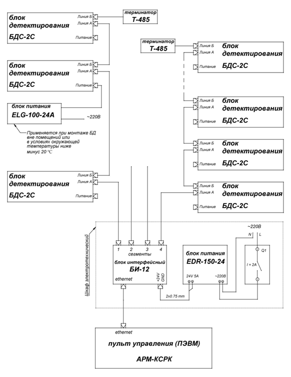
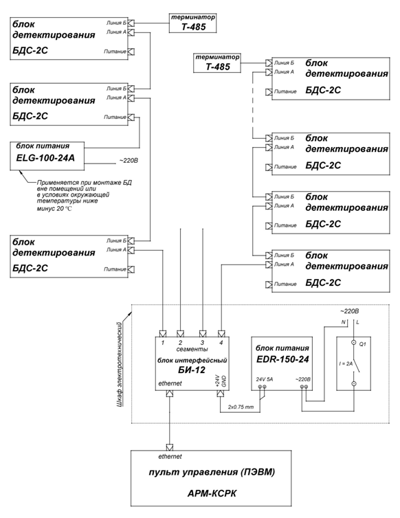
Комплект радиационного контроля КСРК-12 представляет собой набор блоков детектирования гамма-излучения БДС-2С, соединенных информационной шиной RS-485 и управляемых с персонального компьютера. Персональный компьютер с установленным специальным ПО выполняет функции пульта управления и индикации тревоги (АРМ-КСРК). Возможность подключения до 12 блоков детектирования.

Комплект радиационного контроля КСРК-12 предназначен для развертывания на объекте с целью обнаружения фактов перемещения радиоактивных веществ через контролируемое пространство, оценки уровня излучения и идентификации изотопов. При перемещении радиоактивных веществ с активностью, достаточной для превышения измеряемой непрерывно мощности дозы гамма-излучения, установленного порога, активируется подача оповещающих тревожных сигналов (звуковой и световой) на блоке детектирования БДС-2С, зафиксировавшего факт превышения МЭД над уровнем порога и на пульте управления АРМ-КСРК. Оператор АРМ-КСРК может ввести значение порога срабатывания для каждого блока детектирования вручную, либо разрешить автоматическую установку.

ОСНОВНЫЕ ТЕХНИЧЕСКИЕ ДАННЫЕ

  • Измерение МЭД (мощность эквивалентной дозы) фотонного излучения
  • Получение амплитудных спектров гамма-излучения
  • Возможность подключения до 12 блоков детектирования БДС-2С.
  • Возможность создания от 1 до 4 сегментов сети RS-485, к которым подключаются БД.
  • Общая длина каждого сегмента с подключенными БД до 300 м.
  • Диапазон измерения МЭД блоками детектирования от 0,1 мкЗв/ч до 0,1 Зв/ч
  • Интервал экспозиции 1-10с (программируемый)
  • Локальный программируемый порог срабатывания тревожных сигналов
  • Энергетический диапазон регистрации гамма-излучения 50…3000 кэВ
  • Возможность измерения амплитудного спектра гамма-излучения с разрешением не хуже 9% по гамма-линии 662кэВ радионуклида 137Cs.
  • Количество каналов амплитудного анализатора - 256
  • Температурный диапазон эксплуатации блоков детектирования от минус 40ºC до плюс 50ºC
  • Класс защиты блоков детектирования - IP65 (Допустима установка вне помещений).
  • Номинальное напряжение питания БИ (блока интерфейсного) - 24В. Максимальный ток потребления БИ не превышает 300 мА.
  • Номинальное напряжение питания БД (блока детектирования) 24В *
Дополнительные материалы

Загруженных файлов нет

Как купить?
Сделать заказ через интернет-магазин в нашем каталоге продукции

В течение рабочего дня Вам будет выставлен счет на оплату, в котором будет указано наименование товара, цена, количество и срок отгрузки в Ваш адрес.

Направить нам заявку по электронной почте, указанной на странице выбранного Вами товара.

В заявке необходимо указать наименование и количество нужного Вам товара, а также реквизиты организации плательщика.

Посетить наш офис, сделать заявку и получить счет на оплату в отделе продаж

В выставочном зале Вы можете ознакомиться с предлагаемыми нами оборудованием, а технические специалисты помогут Вам выбрать нужную продукцию.

Доставка

Мы имеем возможность доставки товара в любую точку России, интересующей транспортной компанией или курьерской службой:

Товар можно доставить как до терминала транспортной компании, так и, непосредственно, до двери.

Стоимость доставки рассчитывается специалистами логистической службы нашей компании в кратчайшие сроки в необходимое место по желанию заказчика.

Уточнить условия и стоимость доставки Вы можете, связавшись со специалистами нашей компании.

Оплата
Юридическим лицам

С юридическими лицами отношения регламентируются договором, счетом на оплату, товарной накладной, счет-фактурой (УПД) и безналичным переводом денежных средств из банка Покупателя на расчетный счет Продавца.

Физическим лицам

Физическое лицо также может произвести оплату на наш расчетный счет банковским переводом или наличными средствами. При получении товара передается пакет документов: оригинал счета на оплату продукции, товарная накладная и счет-фактура (УПД).

Похожие товары

Хит
Детектор паров и следов взрывчатых веществ М-ИОН
Хит
Комплект радиационного контроля КСРК-12
Хит
Радиометр поисковый СР-5М
Хит
Ионно-дрейфовый детектор КЕРБЕР-Т
Остались вопросы?
Получите бесплатную консультацию у наших менеджеров!
Нужна помощь?